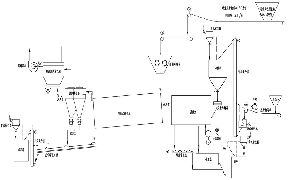
為了適應環保政策,造紙廠苛化白泥(或綠泥)從預掛機出來后,通過膠帶輸送到白泥烘干系統經過烘干、除塵后入散裝粉體庫,散裝外運出廠到水泥廠或攪拌站等下游用戶使用。 熱風爐可以采用燃煤沸騰爐或燃氣(油)熱風爐。
高效回轉干燥機,多角度揚料板,防聚團鉸鏈,螺旋刮料導料套筒,防黏壁振打錘和密閉自潔式強制給料機,燃煤(氣或生物質三用)熱風爐,沸騰爐底滾筒冷渣機。
|
日處理絕干量(t/d) |
300 |
200 |
||
|
|
木漿 |
竹漿 |
木漿 |
竹漿 |
|
白泥含水(%) |
35 |
45 |
35 |
45 |
|
烘干后含水(%) |
5 |
5 |
5 |
5 |
|
蒸發水分(t/h) |
6.07 |
9.57 |
4.05 |
6.38 |
|
烘干產量(t/h) |
13.16 |
13.16 |
8.77 |
8.77 |
|
噸濕泥燃標煤消耗(kg/t) |
53.7 |
71.2 |
53.7 |
71.2 |
|
噸濕泥燃天然氣消耗(m3/t) |
44.2 |
58.7 |
44.2 |
58.7 |
